Dimensioning and Locating Simple Features(
You can check more details by clicking here)
- A circle is dimensioned by its diameter and an arc by its radius employing a pacesetter line and a note.
 |
| 1 |
Circular and rectangular views
👉Answer questions about the cylindrical and hole features of the part shown.
 |
| 2 |
👉Find the hole and cylinder.
Which view is taken into account the circular view and which is taken into account the oblong view?
 |
| 3 |
👉Looking at just the top view, can you tell the difference between the hole and the cylinder? (No)
👉Why is that the diameter of the opening given within the circular view and therefore the diameter of the cylinder given within the rectangular view? (So that the cylinder isn't confused with a hole.)
 |
| 4 |
Dimensioning Features
- Holes are dimensioned by giving their diameter and site within the circular view
 |
| 5 |
- A cylinder is dimensioned by giving its diameter and length within the oblong view and is found within the circular view
 |
| 6 |
Dimensioning Features
Repetitive features or dimensions could also be specified by using the symbol “X” alongside the number of times the feature is repeated.
- There is no space between the number of times the feature is repeated and therefore the “X” symbol, however, there's an area between the symbol “X” and therefore the dimension.
- Dimensioning and locating features
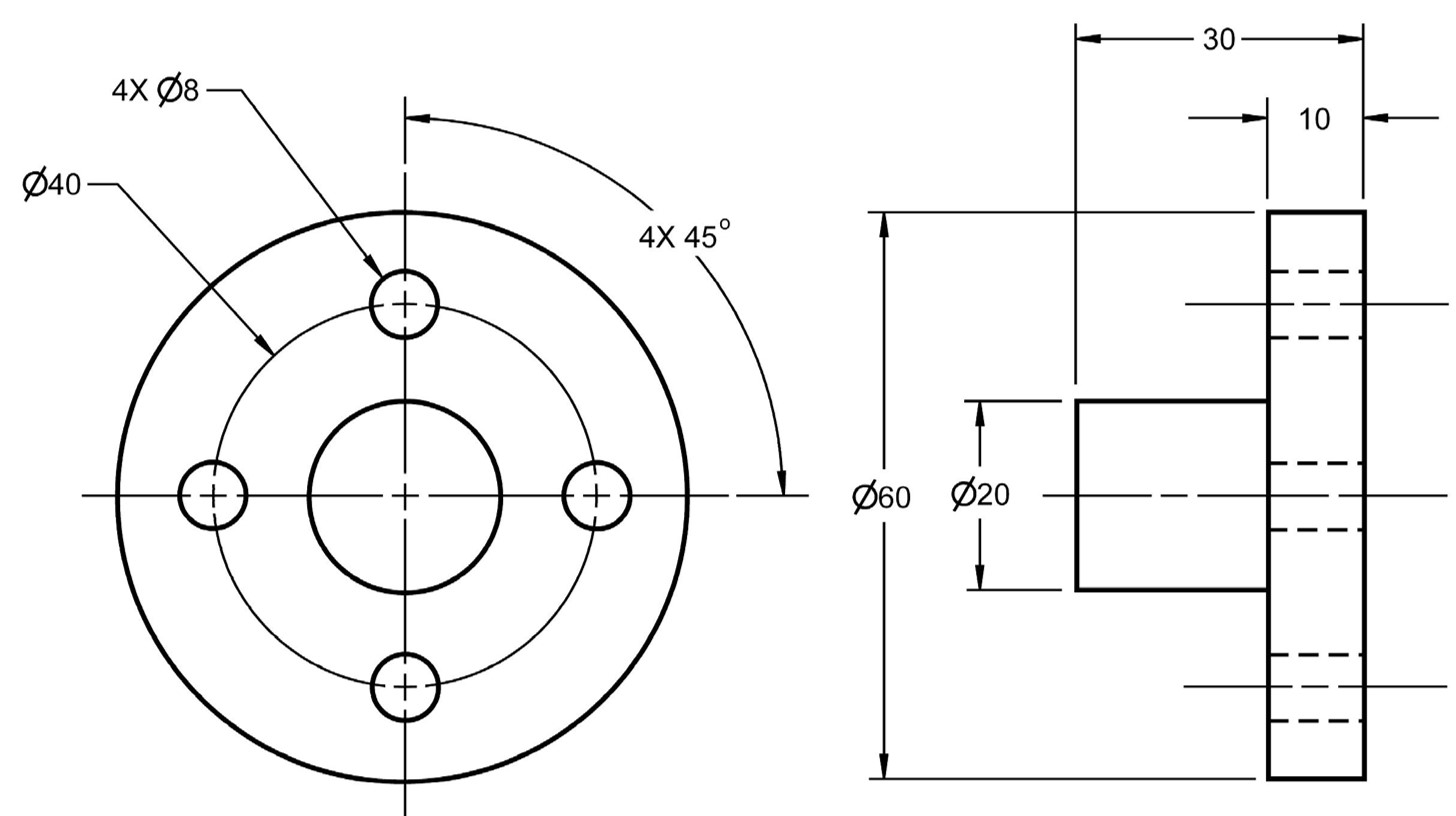
- Dimension the object shown
 |
| 7 |
👉How do we dimension the hole diameters?
 |
| 8 |
👉How do we locate the holes?
 |
| 9 |
👉How do we dimension the cylinder diameters?
 |
| 10 |
👉How do we dimension the cylinder heights?
 |
| 11 |
Completely dimensioned.
 |
| 12 |
Dimensioning and Locating Advanced Features Dimensioning Features
- If a dimension is given to the middle of a radius, a little cross is drawn at the middle.
Engineering dimension
 |
| 13 |
- Where the middle location of the radius is unimportant, the drawing must clearly show that the arc location is controlled by other dimensioned features like tangent surfaces
 |
| 14 |
- A complete sphere is dimensioned by its diameter and an incomplete sphere by its radius.
 |
| 15 |
- The depth of a blind hole could also be laid out in a note and is that the depth of the complete diameter from the surface of the thing.
 |
| 16 |
- If a hole goes completely through the feature and it isn't clearly shown on the drawing, the abbreviation “THRU” follows the dimension
- If a part is symmetric, it is only necessary to dimension to one side of the centerline of symmetry.
 |
| 17 |
Subscribe to us for more educational posts ✌
0 Comments